工业、科学和医疗(ISM) 电磁兼容
工业、科学和医疗行业的电子设备涵盖的电子产品非常广阔,应用环境比较复杂,其中电磁兼容遇到的问题比较多,对设备的安全性要求非常高。
典型的电子产品和设备举例如下:
工业用的各类变频电源 电磁兼容
工业用的各类逆变电源、UPS电源 电磁兼容
工业用机器人,服务类机器人、医疗机器人 电磁兼容
电焊机、机械加工机床、激光切割机 电磁兼容
各类医疗电子设备、医疗器械、辅助医疗设备 电磁兼容
实验室用的检测设备、测量仪器 电磁兼容
电磁兼容 通用标准
抗扰类
GB/T 17799.1 居住、商业和轻工业环境中的抗扰度试验
GB/T 17799.2 工业环境中的抗扰度试验
IEC 61000-6-1 Immunity standard for residential, commercial and light-industrial environments
IEC 61000-6-2 Immunity Standard For Industrial Environments
骚扰类(发射)
GB/T 17799.3 居住、商业和轻工业环境中的发射标准
GB/T 17799.4 工业环境中的发射标准
IEC 61000-6-3 Emission standard for equipment in residential environments
IEC 61000-6-4 Emission standard for industrial environments
电磁兼容 产品标准
YY 0505 医用电气设备 并列标准:电磁兼容 要求和试验
IEC 60601-1-2 Medical electrical equipment: Electromagnetic disturbances - Requirements and tests
GB/T 38326 工业、科学和医疗机器人 电磁兼容 抗扰度试验
GB/T 38336 工业、科学和医疗机器人 电磁兼容 发射测量方法和限值
GB/Z 19397 操作型工业机器人 电磁兼容性试验方法和性能评估准则
ISO/TR 11062 Manipulating industrial robots — EMC test methods and performance evaluation criteria — Guidelines
GB/T 37283 服务机器人 电磁兼容 通用标准 抗扰度要求和限值
GB/T 37284 服务机器人 电磁兼容 通用标准 发射要求和限值
GB/T 38909 民用轻小型无人机系统 电磁兼容性要求与试验方法
GB/T 39004 工业机器人电磁兼容设计规范
GB 4715 点型感烟火灾探测器
GB 12668.3 调速电气传动系统 电磁兼容性标准及其特定的试验方法
GB 7260.2 不间断电源设备(UPS) 电磁兼容性要求
IEC 62040-2 Uninterruptible power systems (UPS) - Part 2: Electromagnetic compatibility (EMC) requirements
GB/T 15579.10 弧焊设备 电磁兼容性要求
IEC 60974-10 Arc welding equipment - Part 10: Electromagnetic compatibility (EMC) requirements
GB/T 24807 电磁兼容 电梯、自动扶梯和自动人行道的产品系统标准 发射
GB/T 24808 电磁兼容 电梯、自动扶梯和自动人行道的产品系统标准 抗扰度
EN 12015 Product family standard for lifts, escalators and moving walks - Emission
EN 12016 Product family standard for lifts, escalators and moving walks - Immunity
电磁兼容测试仪器设备和附件: 通用测试项目
抗扰类
1.静电放电抗扰度 IEC 61000-4-2 GB/T 17626.2
2.射频电磁场辐射抗扰度 IEC 61000-4-3 GB/T 17626.3 IEC 61000-4-20 IEC 61000-4-21
3.电快速瞬变脉冲群抗扰度 IEC 61000-4-4 GB/T 17626.4
4.雷击浪涌(冲击)抗扰度 IEC 61000-4-5 GB/T 17626.5
5.射频场感应的传导(CS,BCI )大电流注入抗扰度 IEC 61000-4-6 GB/T 17626.6
6.工频磁场抗扰度 IEC 61000-4-8 GB/T 17626.8
7.电压暂降、短时中断和电压变化抗扰度(电压跌落) IEC 61000-4-11 GB/T 17626.11 IEC 61000-4-34 GB/T 17626.34
骚扰类(发射)
1.EMI 发射 无线电骚扰限值和测试方法 CISPR 14-1 CISPR 22 GB 4343.1 GB 9254
2.谐波电流 发射限值 IEC 61000-3-2 IEC 61000-3-12 GB 17625.1 GB/T 17625.8
3.电压闪烁 电压变化、电压波动和闪烁限值 IEC 61000-3-3 IEC 61000-3-11 GB 17625.2 GB/T 17625.7
电磁兼容测试仪器设备和附件,含专用测试项目
静电放电抗扰度
静电放电模拟器 静电枪 静电放电设备
测试环境周边:
测试木桌:长1.6m×宽0.8m×高0.8m
水平耦合板: 长1.6m×宽0.8m×厚>1.0mm
垂直耦合板: 长0.5m×宽0.5m×厚>1.0mm
绝缘垫: > 长1.0m×宽0.8m×厚0.5mm
放电线缆:470Ω×2 两头端接
关键参数 Key parameter

放电电流上升时间0.7 ~ 1.0ns,计量时对测试人员、操作规程、示波器要求很高! |


射频电磁场辐射抗扰度
全电波暗室 FAC
横电磁波室 GTEM

全电波暗室 FAC 横电磁波室 GTEM
射频信号发生器 / 信号源
发射天线
功率计 / 功率探头
功率放大器
电场探头
射频开关
测试软件
关键参数 Key parameter


场地均匀性对功率放大器、天线以及暗室尺寸提出了更高要求!

电快速瞬变脉冲群抗扰度
电快速脉冲群模拟器 脉冲群模拟器 脉冲群发生器 EFT BURST
容性耦合夹 容性耦合钳
耦合去耦网络 三相耦合去耦网络
同轴衰减器 50Ω同轴衰减器 1000Ω同轴衰减器
测试环境周边:
测试木桌:长1.6m×宽0.8m×高0.8m
水平耦合板: 长1.6m×宽0.8m×厚>1.0mm
绝缘垫: > 长0.5m×宽0.5m×高10cm
关键参数 Key parameter

单个脉冲上升时间和脉宽对计量人员、现场分布参数和校准器具要求很高! |

新标准要求CDN校准时多条耦合线缆同时注入EFT脉冲,对CDN结构设计和滤波电路带来了挑战! |


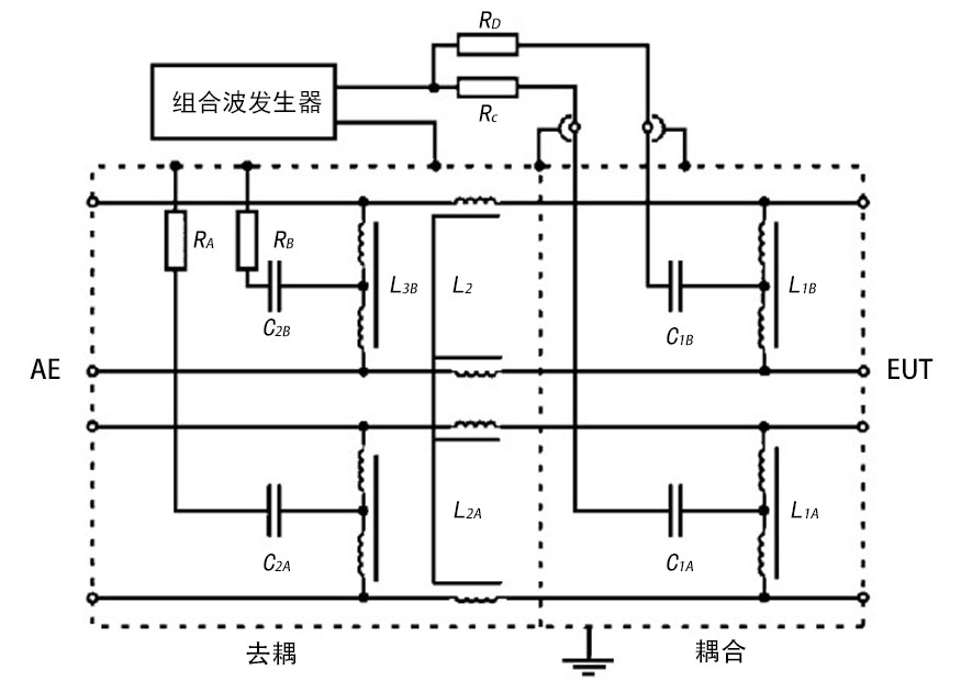
雷击浪涌(冲击)抗扰度
雷击浪涌模拟器 浪涌发生器 雷击发生器 过电压模拟器 脉冲发生器 组合波浪涌 通信波浪涌
耦合去耦网络 三相耦合去耦网络 非屏蔽数据线耦合去耦网络 非屏蔽不对称数据线耦合去耦网络 对称数据线耦合去耦网络
高压差分电压探头 差分电压探头 电流探头
测试环境周边:
隔离变压器
关键参数 Key parameter

电源端口CDN 针对大电流应用比较复杂,通常需要分段来满足不同电流的计量参数。 对于新能源领域,大于200A的CDN设计开发带来了挑战! 逆变电源的浪涌测试容易损坏浪涌发生器主机,尤其是采用小型化之后的浪涌脉冲电路。 |



数据线浪涌CDN 难点是去耦部分,当要保证数据带宽时,很难满足浪涌的波形校准。 |





射频场感应的传导(CS,BCI )大电流注入抗扰度
射频传导抗扰度一体机 传导抗扰度 CS BCI
CDN 耦合去耦网络 三相耦合去耦网络 非屏蔽数据线耦合去耦网络 非屏蔽不对称数据线耦合去耦网络 对称数据线耦合去耦网络
电磁耦合夹 电磁耦合钳
电流探头 电流注入探头
测试环境周边:
测试木桌:长1.6m×宽0.8m×高0.8m
水平耦合板: 长1.6m×宽0.8m×厚>1.0mm
绝缘垫: > 长0.5m×宽0.5m×高10cm
关键参数 Key parameter
IEC 61000-4-6 Ed4.0 明确了对功率放大器饱和度的判断,要求执行CDN校准过程中记录功率放大器的前向功率,这就要求射频传导抗扰度测试系统带定向耦合器以及至少两通道以上的功率计。
工频磁场抗扰度
工频磁场发生器 磁场发生器 磁场线圈 脉冲磁场 阻尼振荡波磁场


关键参数 Key parameter
工频的磁场强度主要由流过线圈的电流大小决定的,整套测试系统如何准确的复现磁场数据尤其重要。
电压暂降、短时中断和电压变化抗扰度电压故障模拟器
电压跌落测试仪 电压中断 电压暂降 电压变化
交流移相器
直流跌落源
关键参数 Key parameter
电压暂降和短时中断模拟器有几个关键参数值得关注:
1.电压上升时间tr和下降时间tf: 1μs ~ 5μs @ 100Ω纯阻
2.过冲/欠冲: <5%UT
3.三相负载电压暂降相-相模式下要求相位偏移 Phase shift
4.附录A中要求整套测试系统满足冲击电流的负荷(至少>500A)
电压变化的关键参数值得关注:
1.电压降低时间td要求是突变,相对于ms为周期的正弦波”突变”一般理解是μs级
2.电压缓慢上升时间ti:要求是25/30个正弦波周期,也即ms级别,并且在过零点处调整电压
以上新标准提出的几个关键技术参数导致采用传统技术的发生器变成了预兼容测试系统,例如三相交流调压器不能作为移相器 使用;带马达控制的
自耦变压器作为电压变化的发生器满足不了突变和过零点调压;采用程控电源作为调压源不满足附录A对试验冲击电流的要求。




EMI 发射测量系统
半电波暗室

屏蔽室

测量接收机
人工电源网络
功率吸收钳
三环天线
线性阻抗稳定网络
电流探头
电压探头
测量天线
EMI测试软件
关键参数 Key parameter
EMI传导骚扰测量系统投资金额比较小,在众多中小型企业中大部分都有采用。有些企业甚至不需要用到屏蔽室,简单的用测量接收机和人工电源网络搭建一个平台来摸底测量,这里提醒用户重点要考虑独立接地(Reference ground),测量接收机以及人工电源网络的选型。电波暗室依据测量 距离不同,分3m法、5m法、10m比较常见。大部分的企业用户采用3m法半电波暗室,有些用户受预算和场地空间的限制,在小型EUT的情况下会选择更加经济紧凑的电波暗室(通常长7m,宽4m,高3m);依据CISPR定义标准规格的暗室要求长9m、宽6m、高6m左右的空间,这种966暗室才能满足实验室认可的需求。如果更大EUT体积,就只能去选择5m或者10m的测量距离暗室。




谐波电流和电压闪烁测量系统
高精度电参数分析仪
高精度净化电源
闪烁分析仪
参考阻抗网络
谐波电流和电压闪烁测试软件
关键参数 Key parameter
这套系统属于EMI发射的测量范畴,用户对传导骚扰和辐射骚扰测量系统给予更大的关注是因为CE/RE测量的数据量非常敏感,稍微有点偏差就相差很大,并且整改起来没有那么容易,对工程师的实战经验和理论功底都要求非常高。谐波电流和电压烁从结果来看,相对单一好整改,并且样品出问题的情况少,但是需要强调的是,这套测量系统同样对分析仪表和测量精度以及测量方法需求一点都不低。由于用户关注少,往往忽略对这些标准和分析系统的深入研究,市面上甚至有主流品牌的仪器出现非常大错误的数据量。这里提醒用户在测量系统选型时要关注以下几点:
1. 分析仪表是否完全符合IEC 61000-4-7和IEC 61000-4-15最新版定义;目前市面上很多品牌的仪表并不能完全满足IEC 标准定义,只不过国内计量单位并不完全参考该标准出具数据
2. 净化电源是否满足IEC 61000-3-2 附录A的需求;电源作为整套系统核心仪器,价格占比高,故障率也高,所以一定要选择合适的高质量的交流电源
3. 是否采用了最新版的测试法规软件


